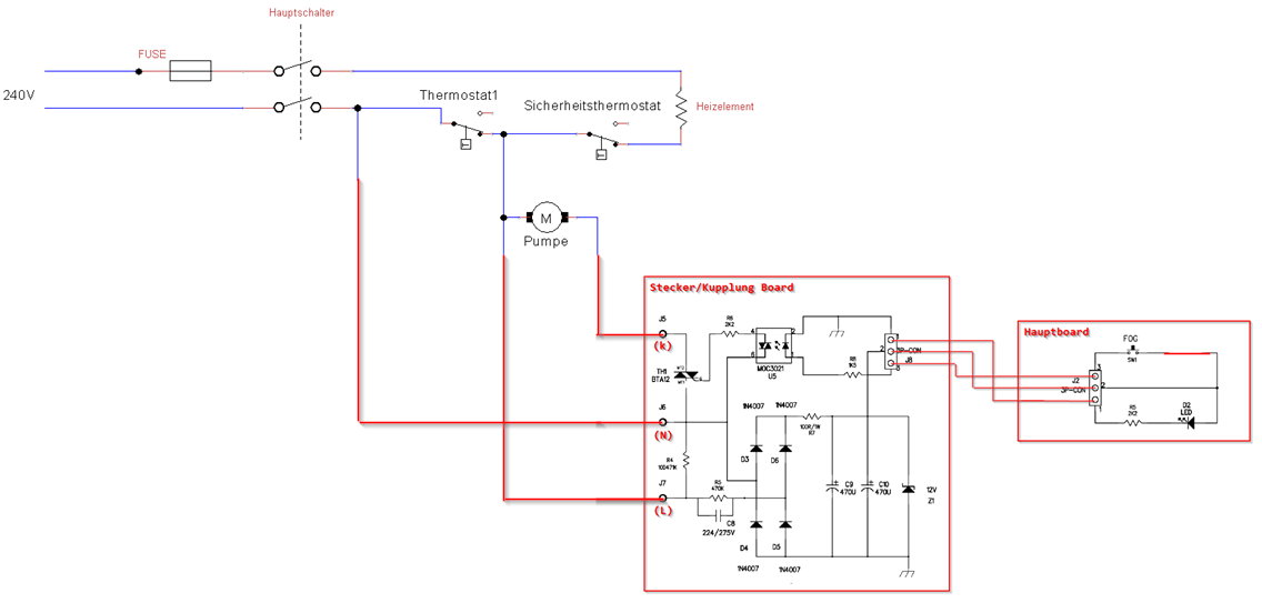
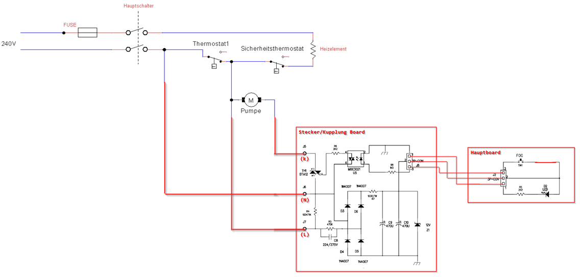
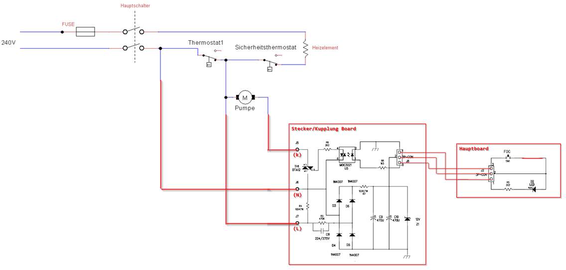
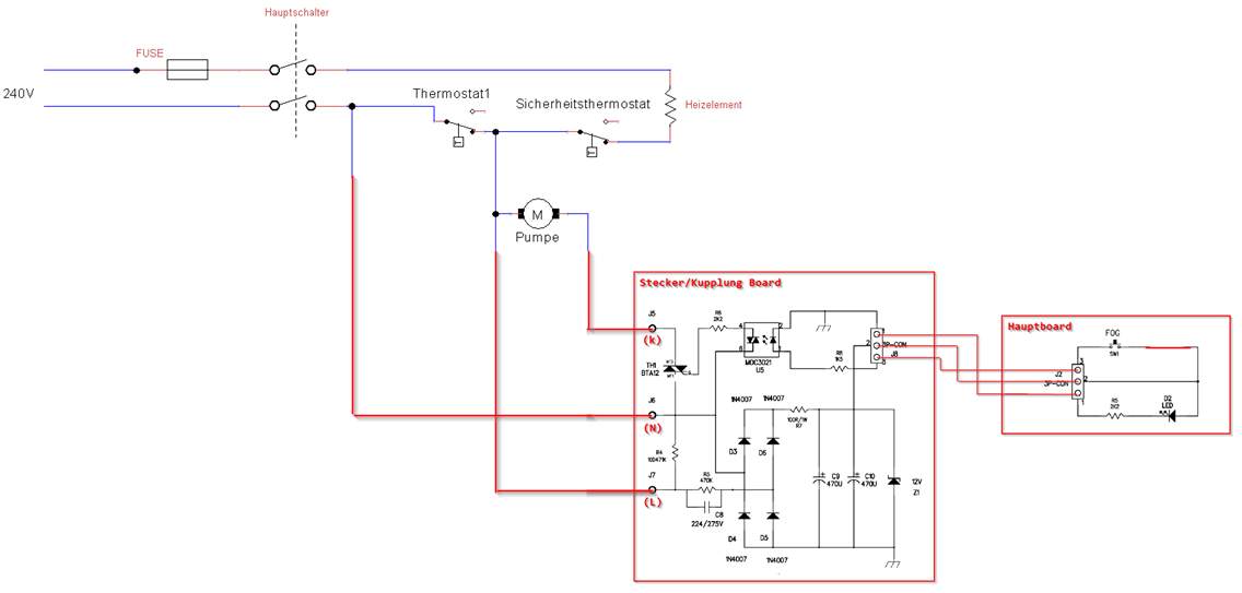
[2+] Infinity 20, Kann Ich Diese 2 Schaltungen Zusammenführen? (Elektronik, Schaltung)
Infinity Schaltplan 20 Máy Hút Bụi Dirt Devil
If you are {looking for|searching about} Máy Hút Bụi Dirt Devil you've {came|visit} to the right {place|web|page}. We have 17 {Pics|Pictures|Images} about Máy Hút Bụi Dirt Devil like Infinity-e, Kann ich diese 2 Schaltungen zusammenführen? (Elektronik, Schaltung) and also Kann ich diese 2 Schaltungen zusammenführen? (Elektronik, Schaltung). {Read more|Here you go|Here it is}:











Comments
Post a Comment